2.2. Escreva as suas conclusões.
3. Experiencia: Retificador de onda completa com center tap e com filtro capacitivo
3.1. Abra o arquivo
ExpEN1 Retificador onda completa CT com filtro (Multisim 14) e identifique o circuito da Figura 10. Inicie a simulação e anote a forma de onda na carga, medindo o valor médio da tensão (compare com o valor sem capacitor) e o
ripple (coloque a chave de entrada em AC para medir só o
ripple) para a chave nas duas posições (C1 e C2).
Arquivo Multisim Live

Arquivo Falstad


Figura 10 - Circuito retificador onda completa com CT e filtro para experiencia
3.2. Medindo a Ondulação (ripple ) para diferentes valores de capacitor de filtro. Para cada valor de C meça a ondulação.
Dica: coloque a chave de entrada em AC e escolha uma escala adequada de Volts/Div
C1=20 mF
ripple (medido)= ripple (estimado) =
VDC (medido)=
C2=500 mF
ripple (medido)= ripple (estimado) =
VDC(medido)=
Lembre-se!! A expressão do ripple só é válida se o mesmo for muito menor do que o valor de pico da tensão senoidal.
3.3. Conclusões.
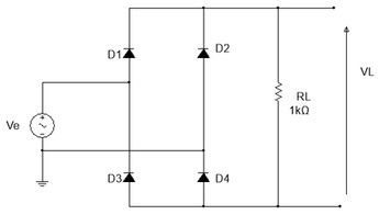
4. Experiencia: Retificador de onda completa em ponte
4.1. Abra o arquivo
ExpEN1 Retificador onda completa em ponte (Multisim 14) e identifique o circuito da Figura 11. Inicie a simulação e anote as formas de onda de entrada (secundario do transformador) e na carga (1 k) e os valores da tensão média (VDC) na carga e da corrente média (IDC) na carga e no diodo 1. Compare com os valores teóricos (calculados). Anote os valores na tabela 2
Arquivo Multisim on line

Arquivo Falstad

Figura 11 - Circuito retificador onda completa em ponte para experiencia
Tabela 2 - Retificador de ondacompleta em ponte - medindo a tensão media na carga.