CUIDADO! A máxima tensão reversa na junção base emissor é BAIXA, da ordem de 10 V.
Exercicio resolvido 1
Calcular Rc e RB para o TR saturar com ICsat=20mA. Dados: bmin=100 bmax=500 VBEsat=0,7 V VCEsat=0 V
( a ) ( b )
Figura 13 - ( a ) Circuito para exercicio resolvido 1 ( b ) indicando dados no circuito
Solução:
Os valores dados (ICsat=20mA VBEsat=0,7 V VCEsat=0 V) devem ser indicados no circuito, Figura 13b. Olhando para o circuito da Figura 13b concluimos que VRC=12 V e como a corrente em RC vale 20 mA, logo:
Rc=12V/20mA=0,6 k= 600 W
Para o TR saturar IB.deve ser maior ou igual a IC/b devendo ser usado o bmin por garantia (se saturar com o minimo, com mais razão satura com valor maior)
IBsat>=20mA/100=0,2 mA a tensão em RB vale VRB=10-0,7=9,3 V desta forma RB<=9,3V/0,2mA= 46,5 kW Por exemplo, é adotado RB=22 k, poderia ser outro valor? Claro! Qualquer valor menor ou igual a 46,5 kW.
Calcular RB para que o transistor sature quando a saida do microcontrolador for 5 V energizando o relé, fechando o contato, e ligando o motor.
Dados: bmin=100 e bmax=500 VBEsat=0,7 V VCEsat=0 V Rele: 12V/40mA
Figura 14 - ( a ) Circuito para exercicio resolvido 2 ( b )
A solução é semelhante à do exercicio 1, sendo mais simples pois não precisa calcular Rc. A corrente de coletor na saturação é igual a corrente no relé, ICsat=40mA. A minima corrente de base que satura o TR ligando o relé é:
IB=40mA/100=0,4 mA
O valor maximo de RB é:
RB=(5-0,7)/0,4mA=10,75 kOhms adotado RB=4k7
Obs: O diodo em paralelo com a bobina do relé protege o TR de tensão elevada quando o TR vai de saturado para cortado
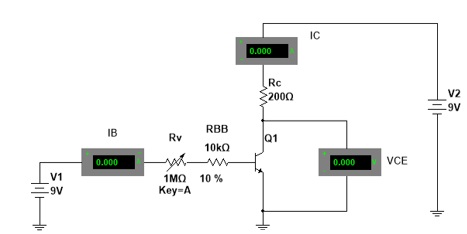
3 Experiencia: Regiões de operação do transistor - medida do beta
OBS; Use as letras A maiuscula e a minuscula para variar RV. A janela deve ser ativada clicando na parte superior onde aparece o nome do arquivo.
Arquivo Multisim Live - medida do beta
Figura 12 - Circuito para experiencia
Fonte: Multisim V. 14
VCE=6 V
IB=__________ IC=_________ =IC/IB=_____ Região de operação=____________
VCE=4 V
IB=__________ IC=_________ =IC/IB=_____ Região de operação=____________
VCE=8 V
IB=__________ IC=_________ 
=IC/IB=_____
Região de operação=____________
3.2 Faça Rv=0 e meça meça IB, IC e VCE
IB=_______ IC=_______ VCE=______ Região de operação=____________
3.3 Mude a chave CH de posição, ligando-a ao terra desta forma fazendo VBE=0. Anote os valores de IB, IC e VCE.
IB=_______ IC=_______ VCE=______ Região de operação=____________
3.3 Escreva as suas conclusões.
4 Experiencia: Transistor como chave - aplicações
4.1 Abra o arquivo
ExpEN1_21 transistor como chave aplicações (Multisim 14) e identifique o circuito da Figura 13a. Inicie a simulação verificando o funcionamento do circuito com a chave na posição 1 e posição 2. Meça IB, IC VCE e VLE Anote.
Arquivo Multisim Live - Carga é LED Arquivo Multisim Live - Carga é Relé
Arquivo Tinkercad Arquivo Tinkercad
( a ) ( b )
Figura 13 - Transistor como chave ( a ) ligando um LED ( b ) ligando um relé
Fonte: Multisim V.14
Chave em 1:
IB=__________IC=___________VCE=___________VLED=______________ Transistor(saturado/cortado)________________
IB=__________IC=___________VCE=___________VLED=______________ Transistor(saturado/cortado)________________
4.2.Verifique o funcionamento do circuito da Figura 13b mudando a posição da chave 2
5 Obtendo a reta de carga experimentalmente
5.1 Monte o circuito. Ajuste o potenciômetro de forma a obter 2 valores de VCE ( 4,5V e 7,5V). Meça as
correntes de coletor (IC) correspondentes. Coloque os pontos obtido (IC,VCE) no gráfico de ICxVCE;
Para isso use papel milimetrado. Ligue os pontos. Onde a reta encontra os eixos (IC) e (VCE)?
Obs: Para desenhar a reta de carga voce poe usar o Paint. Faça download do papel milimetrado deixando em uma pasta. De dentro do Paint abra o arquivo do papel milimetrado.Abra o arquivo Tinkercad ou Multisim do link dado.
6. Escreva as suas conclusões.