aulaCA010 - eletronica24h

Busca
Ir para o conteúdo

Menu principal:

aulaCA010

Educacional > Cursos > Eletricidade em CA
Aula09            Indice de Aulas         Aula11  
Analise de Circuitos em Corrente Alternada
Aula  10: Filtro Passa Baixas com Capacitor
Bibliografia
Analise de Circuitos em Corrente Alternada - Saraiva/Erica

1  Introdução
     O circuito é  semelhante  ao  FPA  visto na aula anterior,  com  o  R e o C trocando  de posição,  e por isso mesmo as suas  características  são opostas.  O circuito é o da Figura 1a, a curva de resposta em freqüência do ganho esta mostrada  na Figura 1b. A Figura 1c mostra a curva de resposta em frequencia da fase do ganho.                       

                                                                                                                                                                      
Figura 1 - (a ) Filtro Passa Baixas    ( b ) curva de resposta em frequencia do modulo do ganho  ( c ) curva de resposta em frequencia da fase do ganho

1.1  Modulo do Ganho e Fase do Ganho
    O ganho é um numero complexo que tem modulo e fase. O modulo do ganho, que é função da frequencia, é dado por:

                                                     
Observe que as expressões são semelhantes às do FPA. No FPB dentro do parentese é f/fc    no FPA   é fc/f. Atenção portanto!!!

A frequencia de corte, fc, é calculada da mesma forma:
                                 
                                                       


A relação entre a fase de Vs e a fase de Ve varia com a frequencia sendo dada pela curva de resposta em frequencia da fase do ganho

                                                   

Se f=0  defasagem entre entrada e saida é nula e se f tender para infinito a defasagem tende pra -90 graus   

Considere que o circuito da Figura 1a    tem Ve=10 V, e que a fase de Ve é zero e f=fc, logo a defasagem do ganho é igual a -arctg1= -45 graus. Qual a fase do sinal de saida?

A defasagem entre a entrada e a saida na frequencia de corte é - 45 graus.
       A Figura 2 mostra as formas de onda de entrada (preto) e saida (vermelho). Observar a defasagem de -45 graus entre a entrada e a saida. A Figura 2b mostra o Diagrama Fasorial dos dois sinais mostrando claramente que Vs está atrasado em relação a entrada de 45 graus. Este circuito muitas vezes é chamado de rede atraso. A amplitude da tensão de saida na frquencia de corte é de 7 V, pois o ganho nessa frequencia é 0,7.


                                        ( a )                                                                                                             ( b )
Figura 2 - ( a ) Defasagem entre saida, Vs, e entrada, Ve, em um FPB    ( b ) Diagrama Fasorial para os dois sinais, Ve e vs, na frequencia de corte
Fonte: Multisim V. 14

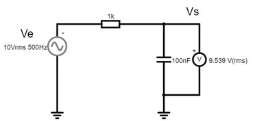
2  Exercicio resolvido 1
Para o circuito determinar:
a) frequencia de corte  
b) Valor da saida (Vs) na frequencia de 3 kHz  se Ve=10 V  
c) Observe as formas de onda de entrada (ve) e saida (Vs)   para f<<<<<<fc  (ao menos 100 vezes menor)
d) Observe as formas de onda de entrada (Ve) e saida (vs)    para f=fc
e) Observe as formas de onda de entrada (Ve) e saida (Vs)   para f>>>>>fc  (ao menos 100 vezes maior)
d)  Valor da saida se Av= -15 dB. Qual a frequencia? Se não conseguir algebricamente usando a equação do ganho, use a curva de resposta em frequencia.

     
Figura 3 - FPB para exercicio 1
Arquivo Falstad

Resultados Falstad
papel monolog.      Excel    Curva de Resposta em Frequencia
Solução:

a) fc=1/(2.p.1k.100nF=1.5915 Hz= 1,6 kHz    confira o valor em  Calculando com Circuitos Eletricos

b) Para determinar o valor da tensão na saida, Vs, primeiramente o valor do ganho em 3 kHz deve ser determinado usando a expressão do ganho (Av=Vs/Ve)

Logo a tensão de saida será:     Vs=Av.Ve = 0,47.10V=4,7 V

c) Novamente deve ser determinada a relação entre a saida e a entrada, Vs/Ve. Como foi dado o ganho em dB. Voce deve usar a sua calculadora cientifica para essa operação.

Se Av= -15dB=20.log(Vs/Ve)    então        log (Vs/Ve)= -0,75  na maquina use a  função inversa de logx   voce obterá      Vs/Ve=0,178.

E exatamente como no exercicio do FPA, use a expressão do modulo do ganho. Entre com Vs/Ve=0,178.



Dica: Eleve ao quadrado dos dois lados da igualdade para desaparecer a raiz quadrada.

Resolvendo obtem-se  f=12 kHz

Para verificar, faça o caminho contrario. Entre com essa frequencia na expressão do ganho, voce deve obter 0,178.

3. Experiencia: Filtro Passa Baixas (FPB)
3.1. Abra o arquivo ExpCA016 Filtro Passa Baixas   (Multisim 14) e identifique o circuito da Figura 4. Inicie a simulação, e para cada frequencia da tabela 1, meça o valor da saida (Vs) anotando na tabela 1.

Arquivo Multisim Live





Figura 4 - Filtro Passa Baixas para experiencia  
Tabela 1 - FPB - curva de resposta em frequencia
f(Hz)5008001 k2 k4 k8 k 10 k15 k
20 k
30 k
Vs/Ve


20.logVs/Ve



3.2. Com os dados da tabela 1 desenhe o grafico do ganho em dB em função da frequencia e para isso use
3.3. A partir do grafico obtenha a frequencia de corte (frequencia na qual o ganho vale -3dB).
3.4. Insira um osciloscopio com o canal A ligado na entrada, Ve,  e o canal B na saida, Vs. Ajuste a frequencia de Ve em fc. Inicie a simulação e meça a defasagem entre Vs e Ve. Para isso meça primeiramente a defasagem no tempo e para isso use os dois cursores. Transforme para graus e anote os valores medidos e teoricos.

Defasagem(f=fc)=___________(valor teorico)      Defasagem(f=fc)=___________(valor medido)

3.5. Escreva as suas conclusões.

4. Filtro como separador de sinais
     É a aplicação que de fato justifica o nome de filtro e que consiste em separar sinais de freqüências diferentes. Na Figura 5 dois sinais são somados, um de f1=2 kHz, 1 Vpico e outro de f2=200 Hz e 10 Vpico. O sinal mixado (somado) é obtido. Se o sinal somado é aplicado a um FPB de frequencia de corte 250 Hz, na saida o sinal de 200 Hz é obtido novamente.

Arquivo Multisim Live

Arquivo Falstad


                  
Figura 5 - Filtro Passa Baixas separando duas frequencias  

5. Experiencia:  FPB como Separador de Frequencias
5.1. Abra o arquivo   ExpCA17_Circuito separador de frequencias  (Multisim 14)  e identifique o circuito da Figura 6. Inicie a simulação e observe as formas de onda em A (soma de Ve1 +Ve2)   em B (somente sinal que deve passar, Ve2) e na saida Vs.
5.2. Experimente mudar a frequencia  e amplitude do ruido, Ve1, para ver a influencia na separação. Aumente a amplitude para 4 V e diminua a frequencia para 2 kHz.




Figura 6 - Circuito separador de freqeuncias
Arquivo Multisim Live


5.3. Escreva as suas conclusões

Aula09            Indice de Aulas         Aula11  

 
Copyright 2015. All rights reserved.
Voltar para o conteúdo | Voltar para o Menu principal