Figura 2 - Exemplos de nós ( a ) A, B, C e D ( b ) D ( c ) E
Na Figura 2 são nós : - A - B - C
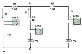
1.3 Malha: Toda poligonal fechada cujos lados são constituídos de ramos. A figura 3 mostra um circuito com varias malhas .

Figura 3 - Exemplo de circuito com 3 malhas (2 internas e 1 externa)
No circuito da figura3 podemos enumerar as seguintes malhas (caminhos fechados ):
Malha 1: Caminho ABGEFA
Malha 2: Caminho BCDEGB
mas temos também a malha externa
Malha 3 : ABCDEFA
2 1ª Lei de Kirchhoff ou Lei dos Nós
Enunciado: "A soma das correntes que chegam a um nó deve ser igual à soma das correntes que dele saem".

Figura 4 - 1ª Lei de Kirchhoff
Essa lei já foi usada de forma bem intuitiva quando o circuito paralelo foi estudado, lembra? Senão veja um exemplo

Figura 5 - Comprovando a 1ª lei de Kirchhoff
Observe que a equação do nó A é a mesma do nó B, isto é:
IT = I1 + I2 + I3 ou I1 + I2 + I3 = IT o que chega é igual ao que sai !!
Com os valores do circuito: 4,5 mA= 3 mA + 0,6 mA + 0,9 mA
3 2ª Lei de Kirchhoff ou Lei das Malhas
Enunciado : " A soma das tensões orientadas no sentido horário em uma malha deve ser igual à soma das tensões orientadas no sentido anti -horário na mesma malha ".
Essa lei já foi usada quando o circuito série foi estudado. A Figura 6 mostra um circuito serie com tres resistencias R1 (4 Ohms), R2 (6 Ohms) e R3 (14 Ohms) e ligadas a uma bateria UT (120 V). Obeserve que é um caminho fechado. É uma malha.
Figura 6 - Circuito serie - Comprovando a 2ª Lei de Kirchhoff
A malha tem tem 4 tensões, U1 (20 V), U2 (30 V), U3 (70 V) e a tensão da bateria UT (120 V). Quais são as tensões com orientação horária ? A tensão da bateria, UT, tem orientação horaria, isto é, a seta representativa da tensão gira no sentido horario na malha, todas as outras tem orientação anti-horaria, e de acordo com a 2ª Lei de Kirchhoff:
UT=U1+U2+U3 equação da malha
Não entendeu? Lembra da convenção de bipolo receptor e bipolo gerador como eram orientadas as tensões e correntes ? Vamos representar novamente o circuito da figura 6 considerando as orientações das tensões e correntes através de setas, figura 7.
Figura 7 - Circuito com tensões e corrente orientadas
De acordo com a 2ª Lei de Kirchhoff :
Soma das tensões horárias: UT é igual à
Soma das tensões anti horárias: U1+U2+U3, isto é
UT = U1 + U2 + U3 que é a equação vista quando foi estudado o circuito serie.
4 Exercícios Resolvidos
4.1 No circuito calcule o sentido e a intensidade da corrente no ramo AO.